Respitose® ML001

研磨乳糖

含有固定量的细颗粒

具有粘附性

吸入制剂
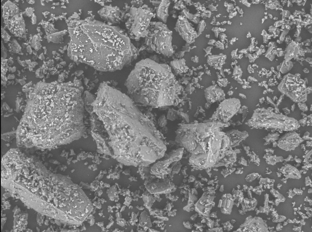
Respitose ML001 (2)

研磨吸入乳糖是一种高度一致的结晶乳糖,颗粒形状不规则,具有粘附性。将乳糖经机械研磨制成不同粒径。制药公司可根据需要选择适合其处方需求的最佳规格。

在生产过程中,结合目前最先进的粒径测量技术,对粒径进行严格且高度一致的控制,成功生产出了各种规格的吸入研磨乳糖。Lactohale®和Respitose®是DFE Pharma采用研磨方法生产的不同规格的吸入乳糖品牌。

研磨乳糖
辅料功能
载体
剂型
剂型

典型产品数据

粒度分布(μm)

D10
4.7
D50
48
D90
147

堆密度(g/L)

堆密度(g/L)
570

振实密度 (g/L)

振实密度 (g/L)
880

卡尔指数(-)

卡尔指数(-)
> 25

证明文件