Respitose® ML001

Lactose Moída 

Com uma quantidade fixa de partículas finas 

Coeso 

Inalação
Respitose ML001 (2) (1)

Informação do produto

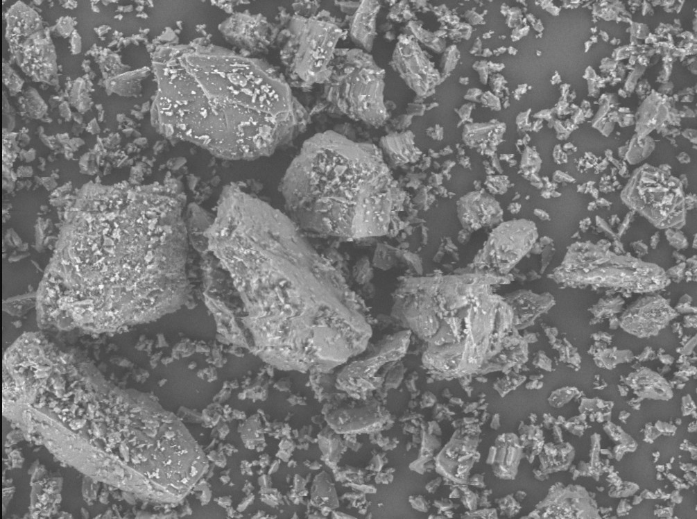
A lactose moída para inalação é uma lactose cristalina altamente consistente com partículas de formato irregular e propriedades de fluxo coeso. A lactose é moída mecanicamente em diferentes graus de tamanho de partícula. Isso permitirá que as empresas farmacêuticas escolham o melhor grau adequado às necessidades de sua formulação. 

O controle rigoroso e altamente consistente do tamanho das partículas durante a produção, em combinação com técnicas de medição de tamanho de partículas de última geração, formam a base para o sucesso de nossos graus moídos para inalação. Na DFE Pharma, Lactohale® e Respitose® são as marcas de graus de lactose para inalação por moagem. 

Tipos de Produto
Lactose moída
Funcionalidade
Portadora
Formas farmacêuticas
Inalação

Typical product data

Densidade aparente (g/mL)

Densidade aparente (g/mL)
570,00

Densidade compactada (g/mL)

Densidade compactada (g/mL)
880,00

Carr’s index (-)

Carr’s index (-)
> 25

Documentação

  • Lactose Farmacêutica ALBA Baixar
  • Declaração GMO de Lactose Baixar
  • MSDS Lactose Monohidratada Baixar
  • Informação Nutricional de Lactose Baixar
  • Contaminants Pharmatose, Respitose and SuperTab (EU) Baixar
  • FSSC 22000 FrieslandCampina DMV Veghel Baixar
  • Halal FrieslandCampina DMV Veghel Baixar
  • ISO 14001 FrieslandCampina DMV Veghel Baixar
  • ICHQ3D Impurezas Elementares Lactose de Inalação - Respitose (EU) Baixar
  • ISO 9001 FrieslandCampina DMV Veghel Baixar